Pièces détachées de pompes SALMSON JETSON - JETSON 2T

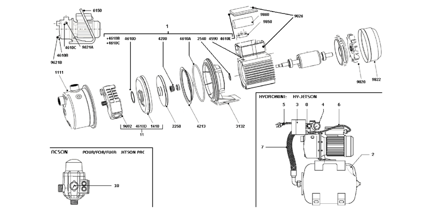
Vue éclatée
+ Agrandir
  • Pièce n°
  • Désignation
  • Quantité
  • Prix unitaire TTC
  •  
1

206,00 €

Commander Expédition sous 3 à 5 jours