Pièces détachées de pompes SALMSON JETSON - JETSON 2M

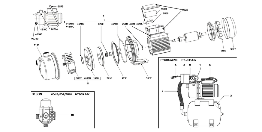
Vue éclatée
+ Agrandir
  • Pièce n°
  • Désignation
  • Quantité
  • Prix unitaire TTC
  •  
1

206,00 €

Commander Expédition sous 3 à 5 jours
11

176,90 €

Commander Expédition sous 3 à 5 jours

L'Avis de nos clients

Note moyenne basée sur 1 avis

5/5

 
  •  
    1 avis
  •  
    0 avis
  •  
    0 avis
  •  
    0 avis
  •  
    0 avis